اس اس آر سه فاز گریگو GT-1048ZA2 دارای عنصر فرستنده سیگنال های کنترلی به صورت نور یک دیود نوری و عنصر گیرنده که خروجی SSR است، و به عنوان کلید عمل می کند می باشد.
معرفی اس اس آر سه فاز گریگو GT-1048ZA2
SSR را می توان اینگونه تشریح کرد که عملکرد آن شبیه به یک رله الکترومکانیکی می باشد با این تفاوت که در اس اس آر سه فاز گریگو GT-1048ZA2 هیچ قسمت متحرکی وجود ندارد. در واقع SSR یک المان سوئیچینگ الکترونیکی است که در آن با یک سیگنال کنترلی می توان جریان یا ولتاژ بزرگتر را کنترل کرد. از آنجایی که در اس اس آر سه فاز گریگو GT-1048ZA2 قسمت متحرکی وجود ندارد باعث شده تا این رله مزایایی نسبت به رله های مکانیکی داشته باشد.

مزایای اس اس آر سه فاز گریگو GT-1048ZA2
مشخصات کوچکتر و باریک تر از رله مکانیکی دارد.
اس اس آر سه فاز گریگو GT-1048ZA2سریعتر از رله های الکترومکانیکی سوئیچ می شود.
عمر طولانی تری نسبت به رله های الکترومکانیکی دارد.
مقاومت خروجی در اس اس آر سه فاز گریگو GT-1048ZA2 صرف نظر از میزان استفاده ثابت می ماند.

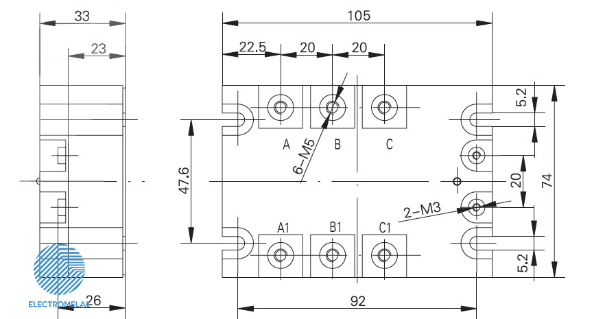
سایر اطلاعات مورد نیاز جهت نصب و کارکرد اس اس آر سه فاز گریگو GT-1048ZA2 در کاتالوگ ضمیمه درج شده است.
جهت مشاوره و خرید میتوانید از طریق تماس با برق و صنعت بین الملل با مشاورین فروش این مجموعه در ارتباط باشید.
برای مشاهده سایر SSR ها می توانید از صفحه انواع اس اس آر استفاده کنید، همچنین می توانید با استفاده از فیلترهای موجود کالای مورد نظر خود را از بین انواع SSR تک فاز/ SSR سه فاز انتخاب کنید.
همچنین در صورت نیاز به مشاوره و اطلاع از موجودی برای خرید اس اس آر سه فاز گریگو GT-1048ZA2 میتوانید با شمارههای زیر تماس بگیرید.












اکبری –
title
میخواستم بپرسم با توجه به اینکه اس اس ار های تو بازار بیشترشون چینی است چه برندی معرفی میکنید که بتونیم جایگزین گریگو اصلی بکنیم؟؟
ممنون